Heizung

MGA Beschreibung der Heizung


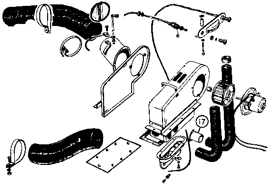
Die MGA hatte drei Werksoptionen für dieses Gerät: ohne Heizung (Standard mit Blindplatte), optionale Heizung (HTR) und optionale Frischluftbelüftung (FAVS). 


Heizungsoption oben – Frischluftbelüftungsoption unten
Rechts ist ein Bild eines installierten Frischluft-Belüftungssystems zu sehen. Beachten Sie, dass keine Heizwasserschläuche vorhanden sind. 


Es gibt zwei Modelle von Gebläseschaltern, eines mit einer Zugfunktion am Temperaturregelhebel und das andere mit einer Drehfunktion am linken Luftregelknopf. Es gibt auch einen anderen Schieberegler (rechteckig und vorne spitz mit einer Markierungslinie oben), der zum schalterlosen Temperaturregelhebel gehört. In der ersten Ausgabe der Ersatzteilliste (1000 Exemplare gedruckt) wird der Zugschaltertyp zuerst aufgeführt und der Drehschalter als „zweiter Typ” bezeichnet. Es wird kein Übergangspunkt aufgeführt, was wahrscheinlich bedeutet, dass beide Typen gleichzeitig hergestellt wurden. Ich könnte vermuten, dass die volle Heizung zuerst mit dem Zugschalter hergestellt wurde und das (weniger teure) Frischluft-Belüftungssystem später verfügbar wurde. 

Bei der reinen Lüftungsanlage gibt es keinen Warmwasserkern, kein Wasserventil und keinen Temperaturregelhebel. Bei keinem Hebel muss der Gebläseschalter am Luftregelknopf eingeschaltet werden. Es wurden einige FAVS ohne Bedienfeld installiert, indem Löcher in das Armaturenbrett für die beiden Kabelsteuerungen gebohrt wurden (was möglicherweise die ursprüngliche Absicht war). Das alternative Heizungsbedienfeld mit „PUSH & TURN” könnte dazu gedacht gewesen sein, Teile und Funktionen zu vereinheitlichen, um nur eine Art von Luftregler zu haben (drücken für Luft und drehen für Gebläse). Dieses Bedienfeld könnte auch bei FAVS verwendet werden, bei denen der Temperaturregelhebel entfernt wurde, wodurch das Bohren von Löchern im Armaturenbrett vermieden werden kann. All dies geschah sehr früh, möglicherweise schon zu Beginn der Produktion (da es in der ersten Ausgabe des SPL erscheint). 

Oben links „PUSH & TURN”. Darunter „PUSH”, alternative Ausführung.

Beachten Sie, dass dies mehr ist als nur ein Unterschied im Druck auf der Platte. Die frühe Platte (oben) hat auf der linken Seite ein „D”-förmiges Loch, um den Druck- und Drehschalter aufzunehmen (siehe nächste Seite). Dies erfordert ein etwas anderes Detail (einen „D”-förmigen Stift) in der Produktionsform. Die „PUSH & TURN”-Version ist wie die, die ich 1986 bei Moss gekauft habe (außer dass diese kein „D”-förmiges Loch hatte). Ich habe 1995 einen Ersatz gekauft, auf dem ebenfalls „PUSH & TURN” stand. Auf dem, den ich 2006 gekauft habe, stand „PUSH”, und ich dachte, dass sie es endlich richtig gemacht haben. Jetzt verkaufen sie 2011 wieder „PUSH & TURN”? Es wäre schön, wenn sie beide Teile anbieten könnten, aber in Wirklichkeit wird die „PUSH & TURN”-Version nur sehr wenig nachgefragt werden. 

Links: Schalter mit Zugmechanismus. Rechts: Schalter mit Drehmechanismus.
Der Knopf Nr. 17 hat ein „B” für Gebläse. Der Knopf Nr. 21 hat eine weiße Linie oben.
Unterschiedliche Teilenummern (unten)

Spätere Ausgaben der Ersatzteilliste zeigen zuerst den Zugschaltertyp und nennen den Drehschalter „zweiter Typ”. Dies könnte auf die weitaus größere Beliebtheit der Heizungsoption gegenüber der FAVS-Option zurückzuführen sein. Tatsächlich war die FAVS-Option so selten, dass die meisten Leute noch nie eine gesehen haben, und das Drehschalter-Steuerkabel ist möglicherweise nicht als Ersatzteil erhältlich. Das Drehschalter-Steuerkabel ist in späteren Ersatzteillisten nicht einmal aufgeführt (obwohl die anderen alternativen Teile immer aufgeführt sind). Die meisten MGA wurden bis zum Ende der Produktion mit dem Zugschalter hergestellt. 

Am 10.07.2021 schrieb Dr. Frans Henskens aus Australien: 
„Ich habe gerade eine Reihe von Heizungsreglern gefunden, die der PO angeblich aus Großbritannien geschickt hat, um sie in den 1950er Jahren in seinen neuen MGA 1500 einzubauen. Sein Vater hat die Heizungseinheit mit einem werkseitigen Lüfter und einer Matrix hergestellt – australische Autos waren normalerweise nicht mit Heizungen ausgestattet. Der Lüfterschalter befindet sich im Luftsteuerungskabel. Auf der Seite des Bedienfelds steht „AIR“ und „PUSH & TURN“. Er lässt sich nur drehen, wenn der Knopf ganz hineingedrückt wird. Auf der rechten Seite steht „HEATER” und „DISTRIBUTION”. Die größeren Knöpfe sind gerändelt. 

Heizungsregler im frühen Stil mit „Push & Turn”-Gebläseschalter. 

Das Fahrerhandbuch (Bedienungsanleitung) beschreibt die Verwendung dieser Bedienelemente, die in der ersten Ausgabe als Drehschalter und in der zweiten Ausgabe als Zugschalter ausgeführt sind. Der frühe Schalter konnte nur gedreht werden, um das Gebläse einzuschalten, wenn der Luftreglerknopf vollständig hineingedrückt wurde, um die Luftklappe zu öffnen. Dadurch wurde verhindert, dass das Gebläse bei hoher Geschwindigkeit ohne Luftstrom im Leerlauf lief. 


Hier sind Bilder des „Push and Turn”-Luftreglers aus den frühen Produktionsfahrzeugen. Oben sehen Sie den Regler-Schlitz und den Indexstift am hinteren Schaft des Schalters, der das Einschalten des elektrischen Schalters verhindert, solange der Regler nicht gedrückt wird. Der Federstift, der den Knopf hält, wird bei der Endmontage unten angebracht, und der Regler-Schlitz sollte oben sein. Beachten Sie zwei verschiedene Schaltertypen mit der gleichen Funktion. Der obere Schalter hat zwei Clips an den Seiten, während der rechte Schalter eine vollständige Stahlhülle mit Quetschverbindungen an der Hinterkante hat, um ihn zusammenzuhalten. Mehr über diesen Schalter auf der nächsten Seite. – Fotos der Schalter mit freundlicher Genehmigung von Giovanni Delicio aus Obrigheim/Pfalz, Deutschland. 

Teile des Heizungsbedienfelds mit Gebläseschalter eines späteren Modells


Demist-Ventil, links offen, um die Luft zu den Füßen zu leiten, rechts geschlossen, um die Luft durch die Schläuche nach oben zu leiten.

Rechts ist ein Teil zu sehen, das oft fehlt: eine AHH5440-Gummiklammer, mit der das Heizungsentfeuchtungskabel an einer Verstrebung unter dem Armaturenbrett befestigt wird. In der Ersatzteilliste ist nur eine Klammer aufgeführt, wenn die optionale Heizung installiert ist. Auf diesem Bild sind zwei Klammern zu sehen, und zwar an einem gut dokumentierten, sehr originalen MGA 1600 mit geringer Laufleistung. 


Beachten Sie auch, dass eine Schraube an der Halterung der Heizung zur Ablage der Heizung fehlt. Ich glaube, dass die Heizkästen an dieser Stelle kein Schraubenloch haben, da der Zugang unter dem Gebläseende des Kastens unmöglich ist. Vielmehr wird diese Schraubenposition für die Installation einer Heizungsverblendung verwendet, wenn die Heizung nicht installiert ist. Die Beschlagtür ist der spätere Stil, bei dem sich die Luftleitbleche im festen Sockel des Heizkastens befinden. 

Ohne Heizung befindet sich an dieser Stelle eine Blindplatte und es gibt keine Bedienkonsole unter dem Armaturenbrett. Die FAVS ähnelt der Heizung, mit Ausnahme des Wärmeaustauschkerns, der zusammen mit dem Heizungsventil und den Schläuchen weggelassen wurde, und der Rücklaufanschluss im unteren Kühlerschlauch zum Wasserpumpenkrümmer ist verstopft. Der Rest des Heizgehäuses und die Gebläsekomponenten vorne sind erhalten, aber das ursprüngliche Gehäuse hatte wahrscheinlich keine Löcher für die Wasserleitungen oder internen Armaturen, um den Wasserkern zu halten. Im Cockpit befinden sich noch die Entfrosterteile und zwei Luftregelungskabel, aber der Steuerhebel für das Wasserventil fehlt. Außerdem wurde der Drehschalter am linken Kabelknauf zur Gebläsesteuerung verwendet. 

Die Heizung oder die FAVS-Klimaanlage hätten werkseitig oder als vom Händler installierte Option eingebaut werden können. Wenn die FAVS-Klimaanlage vom Händler oder vom Kunden eingebaut wurde, wurden die Steuerkabel möglicherweise in Bohrungen im Armaturenbrett installiert, und die Bedienkonsole unter dem Armaturenbrett wurde möglicherweise weggelassen. Ich habe einige solcher Modifikationen durch den Besitzer gesehen. Ich kann mich nicht daran erinnern, jemals ein werkseitig installiertes FAVS gesehen zu haben, daher weiß ich nicht, ob das Armaturenbrett werkseitig gebohrt wurde oder ob das „PUSH & TURN”-Bedienfeld (ohne Temperaturregler) enthalten war. Es gibt keine bekannten Hinweise auf Beschriftungsschilder mit der Funktionsbeschreibung dieser Bedienelemente (ohne Bedienfeld). 

Original-Anweisungen für die Verwendung der Heizung